Светильник светодиодный TL-PROM APS FL-RUS 140 750 D120
Артикул:
УТ000028406
Мощность, Вт:
135.9
Световой поток, Лм
21628
Световая эффективность, Лм/Вт:
159.1
Индекс цветопередачи CRI:
70
Цветовая температура, К:
5000
Кривая силы света (КСС):
D (120°) косинусная
Гарантия, мес:
60
Характеристики
Светотехнические характеристики
Мощность, Вт:
135.9
Световой поток светодиодного модуля, ЛМ
23689
Световой поток, Лм
21628
Световая эффективность, Лм/Вт:
159.1
Количество светодиодов, шт:
160
Кривая силы света (КСС):
D (120°) косинусная
Цветовая температура, К:
5000
Индекс цветопередачи CRI:
70
Ресурс светодиодов, ч:
100000
Электрические характеристики
Время включения светильника, с:
1
Диммирование:
Нет
Напряжение питания, В:
176-264B AC
Частота, Гц:
45 - 55 Гц
Коэффициент мощности ИП, cosφ:
0,95
Грозозащита:
Да
Термозащита:
+100˚С
Защита от 380, В:
Да
Защита от холостого хода:
Есть
Стойкость к микросекундным импульсам большой энергии:
6 кВ (L-N), 10 кВ (L-PE, N-PE)
Коэффициент пульсаций светового потока, %:
<5
Гальваническая изоляция:
Да
Пробивное напряжение, кВ AC:
> 1,5 кВ АС
Сопротивление изоляции, МОм:
> 200 МОм
Класс защиты от поражения электрическим током:
1
Эксплуатационные характеристики
Материал корпуса:
Литейные алюминиевые сплавы
Материал рассеивателя:
Оптический поликарбонат
Защитная оптическая часть
Нет
Способ крепления светильника:
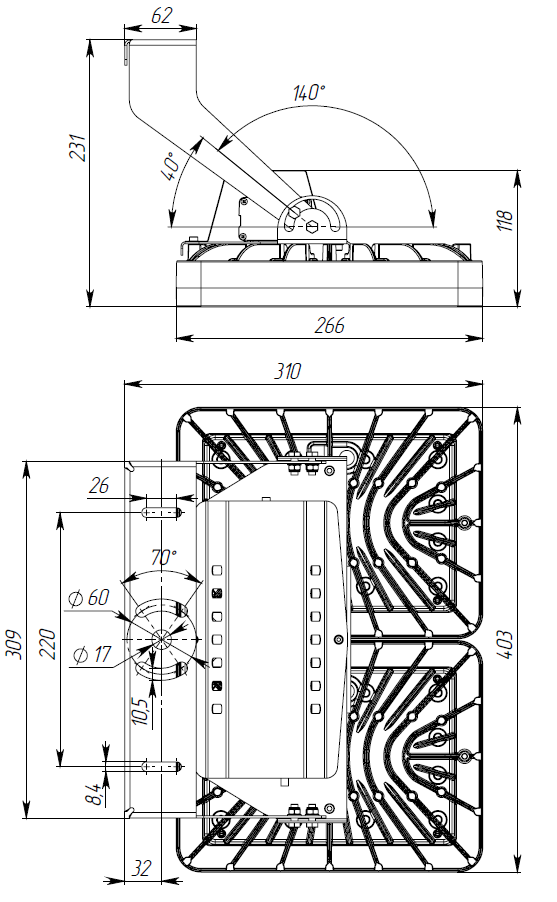
Поворотная скоба (угол поворота 180°)
Степень защиты светильника, IP :
66/67
Степень защиты оболочки (корпус):
IK10
Степень защиты оболочки (стекло):
IK10
Температура эксплуатации, °C:
от -40° до +45°
Вид климатического исполнения:
УХЛ1
Гарантия, мес:
60
Массогабаритные характеристики
Габариты светильника ДхШхВ, мм:
403х266х118
Габариты светильника с креплением ДхШхВ, мм:
403х310х231
Масса нетто, кг:
6
Светильников в коробке, шт:
1
Масса брутто, кг:
6.5








